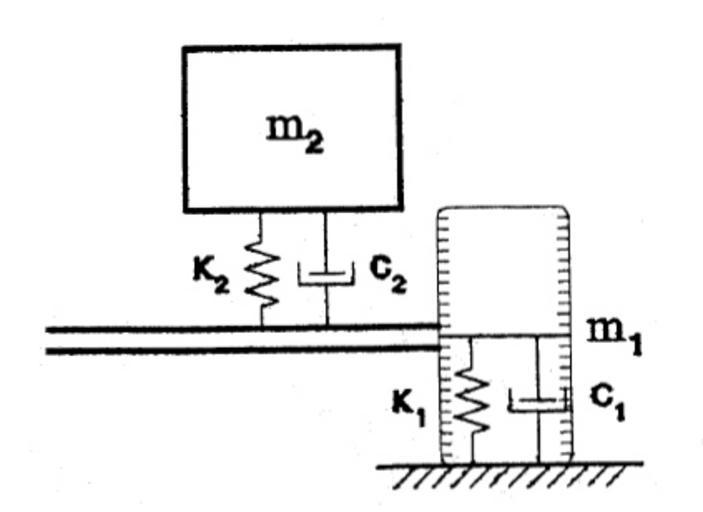
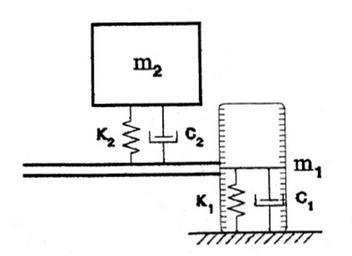
MAKE A MEME View Large Image Golden car4.jpg es Esquema del sistema de muelles y amortiguadores del Golden Car own GRUPO INZAMAC 2011-02-04 Automotive diagrams
View Original:Golden car4.jpg (423x308)
Download: Original    Medium    Small Thumb
Courtesy of:commons.wikimedia.org More Like This
Keywords: Golden car4.jpg es Esquema del sistema de muelles y amortiguadores del Golden Car own GRUPO INZAMAC 2011-02-04 Automotive diagrams
Terms of Use   Search of the Day